CPU Design Document
1. CPU Design
1.总体设计
通过对于《计算机组成与设计》一书的阅读,对于P3的CPU设计我有如下思考,设计MIPS架构的CPU的本质在于从指令存储器中读出32位MIPS指令,并对MIPS指令进行解析进而完成指令中要求的操作。在本次实验中,要求实现的指令有add,sub,ori,lw,sw,beq,lui,nop其中,R型指令有add,sub,I型指令有ori,lw,sw,beq,lui,特殊的有nop指令,32位全为0。
RIJ类型指令图:

此次实验中要求实现的基本指令:
- R型
| Operation | Op-Code | rs | rt | rd | shamt(移位) | func |
|---|---|---|---|---|---|---|
| add | 000000 | 00000 | 100000 | |||
| sub | 000000 | 00000 | 100010 |
- I型
| Operation | Op-Code | rs | rt | 16-bit-immediate-value |
|---|---|---|---|---|
| ori | 001101 | |||
| lw | 100011 | |||
| sw | 101011 | |||
| beq | 000100 | |||
| lui | 001111 |
- nop
32’b0
将我们要实现的CPU分为几个模块:IFU(取指令单元),GRF(寄存器堆),ALU(算术逻辑单元),DM(数据存储器),EXT(扩展单元),Controller(控制器)。
下面给出设计电路模块图:

1. IFU取指令单元
由于题目中要求寄存器的0x00003000对应ROM的0地址,即第一条指令的地址,且寄存器异步复位到初值0x00003000,这里涉及到类似于为寄存器赋初值的操作,可以对寄存器进行地址映射,利用寄存器当前值完成“赋初值”,当寄存器值为0时加上0x00003000进行下一个地址NPC的计算,而在计算取ROM中指令地址时再减去0x00003000。注意寄存器中保存的为以字节为单位的偏移量,ROM中一条指令为4个字节,需要将pc寄存器中的值右移两位后才对应到ROM中对应的行地址。
2.NPC计算下一条指令地址
利用PCSrc信号选择取出PC+4地址的指令还是进行beq跳转得到的地址,应当注意的是beq中跳转为以字为单位,要先对移位量shift左移两位得到对应的字节偏移量。
3.ALU计算单元
| ALUOp | 运算 | 是否判断溢出 |
|---|---|---|
| 0000 | and | no |
| 0001 | or | no |
| 0010 | addu | no |
| 0011 | subu | no |
| 0010 | add | yes(结合控制信号judge-overflow选择是否进行判断溢出问题) |
| 0011 | sub | yes |
| 0100 | lui | no |
| 0101 | xor | no |
| 0110 | nor | no |
| 0111 | logical-left | no |
| 1000 | logical-right | no |
| 1001 | Arth-right | no |
| 1010 | sign-compare | no |
| 1011 | unsigned-compare | no |
注:由于教程中要求对于add sub不实现溢出判断 即把add sub当作addu subu用,而在指令中不具体实现addu subu
4. GRF寄存器堆
寄存器中有32个通用寄存器,
- 注意0号寄存器的值只能为0,故将使能端WE设置为常量0
- 在写入端的解复用器DMX需要设置为三态,否则在写入一个值的时候其他值会被清零
5.Controller总控制器
Controller的输入为读取出指令的Op-Code,即[31:26]位,输出为八个控制信号,其中输送给ALU Controller的控制信号ALUOp为2位,下面对不同指令需要哪些控制信号进行分析,对不同指令按照其Op-Code进行分类.
1. R型指令
1. 数据通路

2.输出信号
Op-Code:000000,对R型指令对应的Controller输出情况列表
| 信号名称 | 取值情况 |
|---|---|
| RegDst | 1 |
| ALUSrc | 0 |
| MemtoReg | 0 |
| RegWrite | 1 |
| MemRead | 0 |
| MemWrite | 0 |
| Branch | 0 |
| EXTOp | 0 |
2.lw指令
1.数据通路

2.输出信号
Op-Code:100011,对应的输出情况列表
| 信号名称 | 取值情况 |
|---|---|
| RegDst | 0 |
| ALUSrc | 1 |
| MemtoReg | 1 |
| RegWrite | 1 |
| MemRead | 1 |
| MemWrite | 0 |
| Branch | 0 |
| EXTOp | 1 |
3.sw指令
1.数据通路

2.输出信号
Op-Code:101011
| 信号名称 | 取值情况 |
|---|---|
| RegDst | x |
| ALUSrc | 1 |
| MemtoReg | x |
| RegWrite | 0 |
| MemRead | 0 |
| MemWrite | 1 |
| Branch | 0 |
| EXTOp | 1 |
4.beq指令
1.数据通路

2.输出信号
Op-Code: 000100
| 信号名称 | 取值情况 |
|---|---|
| RegDst | x |
| ALUSrc | 0 |
| MemtoReg | x |
| RegWrite | 0 |
| MemRead | 0 |
| MemWrite | 0 |
| Branch | 1 |
| EXTOp | 1 |
注:由于sw与beq指令中都不需要向寄存器中存储数字,即RegWrite=0,此时RegDst与MemtoReg可以为不定值x因为无论为多少都不会写入
5.lui指令
1.数据通路
将原16位imm后拼接16位0,存入目标寄存器,位拼接操作在ALU中实现,对应操作编码为1000。此处rs寄存器为$0。

2.输出信号
Op-Code:001111,对应的输出情况列表
| 信号名称 | 取值情况 |
|---|---|
| RegDst | 0 |
| ALUSrc | 1 |
| MemtoReg | 0 |
| RegWrite | 1 |
| MemRead | 0 |
| MemWrite | 0 |
| Branch | 0 |
| EXTOp | 0 |
6.ori指令
1.数据通路

2.输出信号
Op-Code:001101
需要注意的是ori指令中16位立即数的范围是:0~65535,如果位数超出16位则会发生截断保留低位
| 信号名称 | 取值情况 |
|---|---|
| RegDst | 0 |
| ALUSrc | 1 |
| MemtoReg | 0 |
| RegWrite | 1 |
| MemRead | 0 |
| MemWrite | 0 |
| Branch | 0 |
| EXTOp | 0 |
注:不需要向DM中进行读或写操作,MemRead=MemWrite=0
| 指令操作码 | 操作 | func | ALU动作 | ALU控制信号 |
|---|---|---|---|---|
| lw | 取字 | xxxxxx | 加 | 0010 |
| sw | 存字 | xxxxxx | 加 | 0010 |
| beq | 相等跳转 | xxxxxx | 减 | 0110 |
| add | 加 | 100000 | 加 | 0010 |
| sub | 减 | 100010 | 减 | 0110 |
| and | 与 | 100100 | 与 | 0000 |
| or | 或 | 100101 | 或 | 0001 |
| ori | 或立即数 | xxxxxx | 或 | 0001 |
| lui | 存半字 | xxxxxx | 低位拼接0 | 1000 |
7.利用与或门阵列实现对指令的识别和产生相应的控制信号
1.指令识别
对于指令的识别主要用到32位指令中的opcode字段([31-26]位)与funct字段([5:0]位),只有R型指令会利用funct字段进行指令的识别,其他类型指令只需要opcode字段即可。思路是,先利用opcode进行识别,识别出除R型指令之外的其他类型具体指令后,再利用funct字段对R型指令进行识别。
2.产生控制信号
我将理论课中介绍的Controller与ALU Controller合并为一个整体,Controller产生的控制信号直接控制ALU进行运算,运用或阵列进行操作,只将输出信号表中为1的接到对应的信号或门上,对于0或x值均无连接,连接时有一个小技巧为将opcode与funct点为该指令的码,之后只需要将亮色的线连接到与门上。
8.对补充的指令的实现思路进行总结
1.补充的R型指令
运算指令
通过在ALU中传递不同的ALUOp实现,如add,sub,and,or,nor,xor
移位指令
如sll,srl,sllv,srlv,sra,srav,在ALU中通过Shifter实现逻辑左移,逻辑右移,算术右移。其中sll,srl,sra是将rt中的数值移动s([4:0]位立即数)位存储到rd中,在ALU的传入移位量端口控制信号
shiftvar=0,sllv,srlv,srav将rt中的值移动rs位后存储入rd,需要注意的是rs只取低五位,相当于s<——GPR[rs]4...0,控制信号shiftvar=1。置位指令
slt,sltu(set if less than),同样在在ALU中实现,slt对两个操作数进行符号比较,sltu对两个操作数进行无符号比较,比较结果进行0扩展至32位赋值到rd
跳转指令
jr,jalr.跳转指令需要着重进行分析,
- jr :跳转到寄存器rs中存储的地址,在电路中对应GRF中读取的数据RD1,在NPC模块中实现跳转。
- jalr: PC跳转到GPR[rs]中保存的地址,并将当前PC+4保存在GPR[rd]中,相比jr多了将PC+4存入GPR[RD]的功能。在NPC模块中输出PC+4,在寄存器堆写入数据端口,控制信号
PC+4=1,(控制信号PC+4只有jal和halr指令会涉及到将当前PC+4存入寄存器)选择写入寄存器信号RegDst=1,ralink=0(控制信号ralink=1时写入31号寄存器,jal指令专属)
2.补充的J型指令
跳转指令在NPC中实现。
- j ,j跳转指令默认的地址为26位,需要在NPC模块中进行补全,形式为
(PC+4)31...28 | j-address |00 - jal指令与j指令计算地址的方式相同,同时将PC+4存入31号寄存器即ra寄存器,给出重要的控制信号:
ralink=1,pc+4=1,jump=1
3.补充的I型指令
运算指令
凡是带立即数运算的如addi,subi,ori,andi等都需要在ALU控制信号
ALUSrc=1,选择符号扩展后的32位立即数,运算控制信号ALUOp与R类运算相同B类跳转指令
注意:B类跳转指令对16位地址偏移量都是进行符号扩展,Control Unit输出branch,branchOp,完成对具体指令的识别,对于是否满足条件进行跳转的判断则在sel-B模块中实现,尤其要注意在sel-B模块中由于是要进行大于0小于0的判断,比较器应该选择为有符号的。其中beq和bne指令由ALU中输出信号equal判定。
置位指令
slti,sltiu,比较时对第二个操作数
ALUSrc=1访存指令
sw,sh,sb,lw,lh,lb,lbu,lhu等指令的具体实现已经在HorB模块中有了比较详细的叙述,利用address[1:0]进行判断并进行"插入"操作
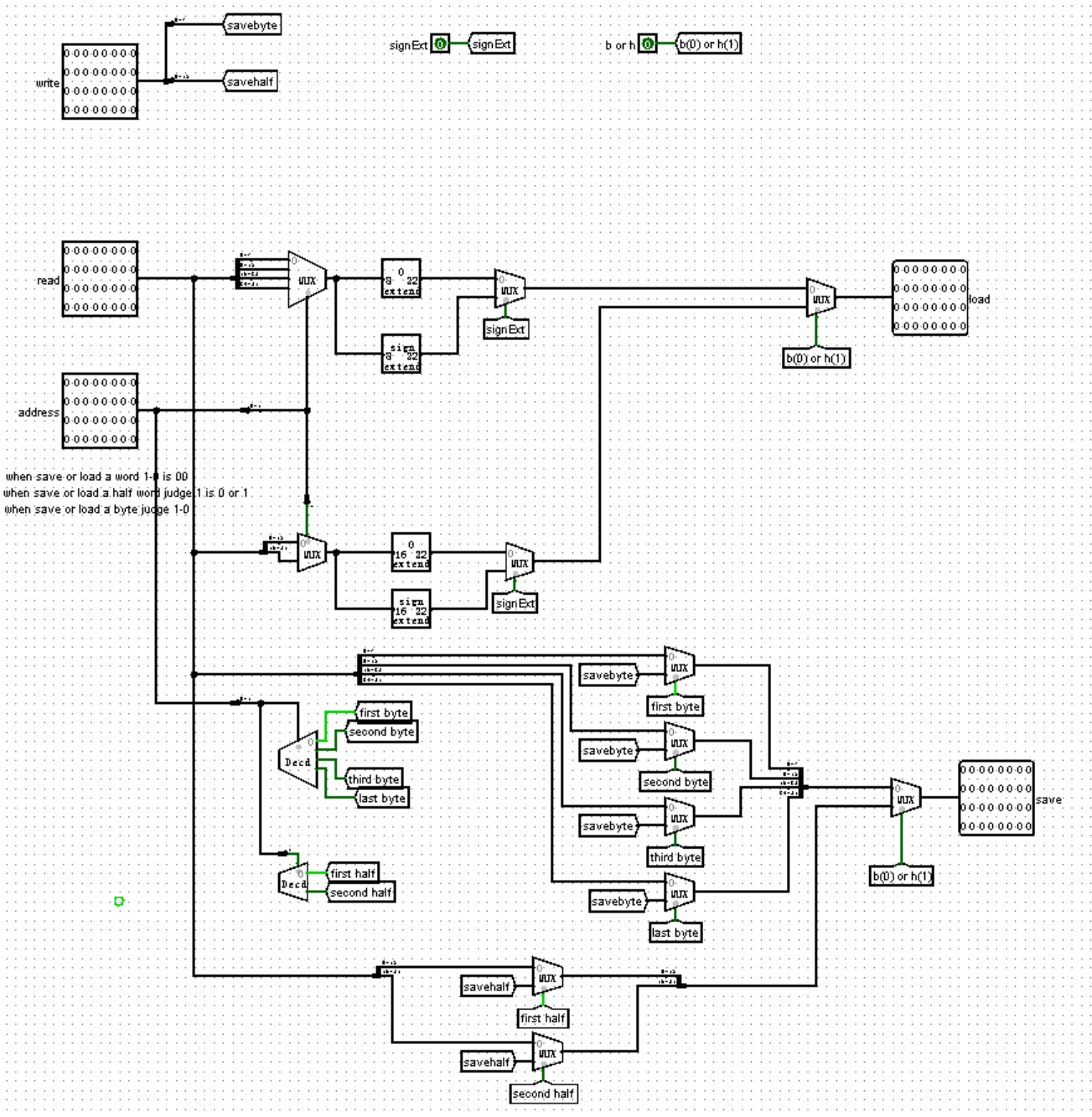
6.DM数据存储
一定要注意DM需要时钟信号控制!DM在时钟上升沿写入数据,一开始没有给DM加时钟信号导致数据没有及时存入QAQ。
**补充指令sb,lb,sh,lh,lbu,lhu,在DM模块中增加新模块HorB,根据控制信号b or h选择按照byte进行操作还是按照half word进行操作。**首先分析传入地址,传入地址是以字节为单位的,我们可以在已知对字/半字/字节操作的的情况下,分析出具体的半字/字节。记传入地址最后两位address[1:0]
| 操作单位 | address[1:0] | 操作对象 |
|---|---|---|
| word | 00 | 字 |
| half word | 00 | 第一个半字节 |
| half word | 10 | 第二个半字节 |
| byte | 00 | 第一个字节 |
| byte | 01 | 第二个字节 |
| byte | 10 | 第三个字节 |
| byte | 11 | 第四个字节 |
思路:当操作类型为load(读取):先读取出来一个字,再从中选择部分进行load,当操作类型为save(存入):先读取出来对应地址上的一个字,再在相应位置上插入想要存入的内容,这就要求sb,lb,sh,lh,lbu,lhu进行操作前需要先从对应地址上读取,即MemRead = 1.
电路图如下:

7.EXT位扩展
位扩展单元由EXTOp信号控制,选择进行符号扩展还是0扩展,其中sw,lw,beq均为符号扩展,ori为0扩展。
8.sel-B具体判断B指令
实现的B类型跳转指令有,beq,bne,bgez,bgtz,blez,bltz。可以大致分为两类。第一类为beq,bne,这两个指令是对于两个操作数进行比较然后进行跳转(比较在ALU中完成),第二类中都是进行与0的比较(在sel-B中完成)。branchOp列表如下:
| branchOp | 指令 |
|---|---|
| 000 | beq |
| 001 | bltz |
| 001 | bgez |
| 010 | bgtz |
| 011 | blez |
| 100 | bne |
其中beq指令与bne指令都由equal信号判断,故对于beq\bne的选择通过最高位选择。在001编码中,对bltz和bgez进行了合并,因为这两种指令的opcode一致为000001,故在control unit中无法实现对这两种指令的识别,需要利用这两种指令的[20:16]进行分辨,即judge信号,bltz:00000,bgez:00001,这样实际上需要选择的只有四个信号,利用branchOp的低两位进行判断,电路图如下:

尤其需要注意的是:在sel-B模块中比较器应当选择有符号的而不是unsigned,因为他们都是与0进行比较,而在ALU模块中slt指令需要进行符号比较,sltu指令需要进行无符号比较.
2. test scheme
课下测试利用课程组提供的jar包进行测试,从MARS中导出16进制文件load到我的单周期CPU中,运行CPU,将存储在寄存器中的数据与MARS运行结果进行比对。
1.基本指令测试
1. ori-test
ori指令中的立即数为无符号扩展,不存在复数的情况,测试指令
ori $a0,$0,123
ori $a1,$a0,456
2. lui-test
lui $a2,123 #符号位为0
lui $a3,0xffff #符号位为1
3. add-test
lui $a2, 123 # 符号位为 0
lui $a3, 0xffff # 符号位为 1
ori $a3, $a3, 0xffff # $a3 = -1
add $s0, $a0, $a2 # 正正
add $s1, $a0, $a3 # 正负
add $s2, $a3, $a3 # 负负
4.sw-test
ori $a0,$0,1
ori $a1,$0,2
ori $a2,$0,3
ori $t0, $0, 0x0000
sw $a0, 0($t0)
sw $a1, 4($t0)
sw $a2, 8($t0)
5.lw-test
ori $a0,$0,1
ori $a1,$0,2
ori $a2,$0,3
ori $t0, $0, 0x0000
sw $a0, 0($t0)
sw $a1, 4($t0)
sw $a2, 8($t0)
lw $a0, 0($t0)
lw $a1, 12($t0)
sw $a0, 28($t0)
sw $a1, 32($t0)
6.beq-test
ori $a0, $0, 1
ori $a1, $0, 2
ori $a2, $0, 1
beq $a0, $a1, loop1 # 不相等
beq $a0, $a2, loop2 # 相等
loop1:sw $a0, 36($t0)
loop2:sw $a1, 40($t0)
7.将以上指令综合测试
ori $a0, $0, 123
ori $a1, $a0, 456
lui $a2, 123 # 符号位为 0
lui $a3, 0xffff # 符号位为 1
ori $a3, $a3, 0xffff # $a3 = -1
add $s0, $a0, $a2 # 正正
add $s1, $a0, $a3 # 正负
add $s2, $a3, $a3 # 负负
ori $t0, $0, 0x0000
sw $a0, 0($t0)
sw $a1, 4($t0)
sw $a2, 8($t0)
sw $a3, 12($t0)
sw $s0, 16($t0)
sw $s1, 20($t0)
sw $s2, 24($t0)
lw $a0, 0($t0)
lw $a1, 12($t0)
sw $a0, 28($t0)
sw $a1, 32($t0)
ori $a0, $0, 1
ori $a1, $0, 2
ori $a2, $0, 1
beq $a0, $a1, loop1 # 不相等
beq $a0, $a2, loop2 # 相等
loop1:sw $a0, 36($t0)
loop2:sw $a1, 40($t0)
需要注意的是MARS设置中不应当开启delayed branching,否则会运行跳转指令如beq的下一条指令,与本地CPU不符
2.补充指令后计算指令综合测试
3.补充指令后访存指令综合测试
.text
li $s0, 0xABCF1234
li $s1, 0x1234ABCD
li $s2, 0xa1b2c3d4
li $s3, 0x7fff0000
sb $s1, 100($0)
sb $s2, 103($0)
sb $s3, 105($0)
sb $s4, 107($0)
sh $s4, 108($0)
sh $s3, 110($0)
sh $s2, 112($0)
sh $s1, 114($0)
sw $s0, 0($0)
sw $s1, 4($0)
sw $s2, 8($0)
sw $s3, 12($0)
lw $t0, 0($0)
lw $t1, 4($0)
lw $t2, 8($0)
lw $t3, 12($0)
sw $t0, 16($0)
sw $t1, 20($0)
sw $t2, 24($0)
sw $t3, 28($0)
lb $t0, 3($0)
lb $t1, 7($0)
lb $t2, 11($0)
lb $t3, 13($0)
sw $t0, 32($0)
sw $t1, 36($0)
sw $t2, 40($0)
sw $t3, 44($0)
lbu $t0, 3($0)
lbu $t1, 7($0)
lbu $t2, 11($0)
lbu $t3, 13($0)
sw $t0, 48($0)
sw $t1, 52($0)
sw $t2, 56($0)
sw $t3, 60($0)
lh $t0, 2($0)
lh $t0, 4($0)
lh $t0, 8($0)
lh $t0, 12($0)
sw $t0, 64($0)
sw $t1, 68($0)
sw $t2, 72($0)
sw $t3, 76($0)
lhu $t0, 2($0)
lhu $t0, 6($0)
lhu $t0, 8($0)
lhu $t0, 12($0)
sw $t0, 80($0)
sw $t1, 84($0)
sw $t2, 88($0)
sw $t3, 92($0)
li $v0, 10
syscall
4.补充指令后跳转指令综合测试
.text
main:
li $s0, 0
li $s1, -1000
li $s2, 1000
lui $s3, 0x8000 #s3 is -2147483648
lui $s4, 0x8000
ori $s4, 0x0001 #s4 is -2147483647
lui $s5, 0x7fff
ori $s5, 0xffff #s5 is 2147483647
lui $s6, 0x7fff
ori $s6, 0xfffe #s6 is 2147483646
beq_1: beq $s0, $s0, beq_1_test
beq_10: beq $s5, $s6, beq_10_test
beq_end:
bne_1: bne $s0, $s1, bne_1_test
bne_10: bne $s3, $s3, bne_10_test
bne_end:
blez_1: blez $s0, blez_1_test
blez_10: blez $s6, blez_10_test
blez_end:
bgtz_1: bgtz $s2,bgtz_1_test
bgtz_10: bgtz $s1,bgtz_10_test
bgtz_end:
jal_1: jal jal_1_test
jal_5: jal jal_5_test
jal_end:
jalr_1: or $v0, $0, 12916
jalr $v1, $v0
jalr_5: or $v0, $0, 12948
jalr $v1, $v0
sw $t0, 0($s0)
sw $t1, 0($s0)
sw $t2, 0($s0)
sw $t3, 0($s0)
sw $t4, 0($s0)
sw $t5, 0($s0)
li $v0, 10
syscall
beq_1_test: addi $t0,$t0, 1
j beq_10
beq_10_test: addi $t0,$t0, 1
j beq_end
bne_1_test: addi $t1,$t1, 1
j bne_10
bne_10_test:addi $t1,$t1, 1
j bne_end
blez_1_test: addi $t2,$t2, 1
j blez_10
blez_10_test: addi $t2,$t2, 1
j blez_end
bgtz_1_test: addi $t3,$t3 1
j bgtz_10
bgtz_10_test: addi $t3,$t3 1
j bgtz_end
jal_1_test: addi $t4, $4, 1
jr $ra
jal_5_test: addi $t4, $4, 1
jr $ra
jalr_1_test: addi $t5, $t5, 1
jr $v1
jalr_5_test: addi $t5, $t5, 1
jr $v1
2.编写python脚本完成自动化测试
利用正则表达式替换,对ROM中内容进行改写,并生成新的电路。
| |
注意:cpu_remake是根据原CPU新生成的文件,若有改动应该在原CPU中完成,若在cpu_remake中进行改动,改动会发生“丢失”,因为cpu_remake的每一次生成都是根据CPU生成
3.思考题
1.单周期CPU的模块中哪些发挥状态存储功能,哪些发挥状态转移功能?
答:在单周期CPU中,我们以splitter为界可以将CPU分为一个Moore机与一个Mealy机,两个状态机各有一个状态存储模块与一个状态转移模块。状态存储:IM,GRF,DM,状态转移:NPC,ALU
2.IM使用ROM,DM使用RAM,GRF使用Register合理吗
合理,Information Memory用来存储运行的程序指令,要保证程序不会被更改,使用ROM(Read Only Memory), Data Memory是数据存储区,需要进行写入和读取,使用RAM。
3.额外实现的单元
我将IFU中的取指令功能与计算下一指令地址的逻辑分开,计算下一指令地址的功能单独由NPC模块实现,包括对B型和J型指令的跳转。具体细分判断B类型跳转指令的sel-B模块,HorB,存储或读取时对字节和半字进行操作的模块。
4.nop空指令不需要加入信号真值表
实际上nop指令会被识别为sll指令,具体形式为sll $0,$0,0,即将0号寄存器左移0位,确实不会发生影响。
5.评价MIPS指令及汇编语言一节中测试样例的强度
测试样例的覆盖是不全面的,有些寄存器没有用到,有些负数的特殊情况没有涉及,跳转的指令没有涉及等。